阿拉善盟切换分站 您好!欢迎访问苏州威尔达焊接设备有限公司网站!
苏州威尔达焊接设备有限公司----------让工业焊接更轻松!
全国咨询热线: 13915583428

联系我们

【 微信扫码咨询 】

13915583428

  • 联系人:陈经理
  • 公司地址:苏州市相城区北桥镇生态路8号万企创意园A栋三楼
  • 您的位置: 首页 >> 产品展示 >> 逆变点焊机

    中频逆变点焊机

    逆变点焊机IP-4000C 产品特点:1、一体式的设计,方便日常管理和使用;2、具备63种焊接规范的设;3、高亮的LCD屏显示,美观易懂;4、采用四键设置规范参数,极易上手操作;5、实时监测焊接电流值;6、对输出电流采用上下限设置,电流异常报警功能,确保了焊接品质;7、焊接电流精准控制,适用于细小产

    在线咨询全国咨询热线
    13915583428

    逆变点焊机IP-4000C 产品特点:


      1、一体式的设计,方便日常管理和使用;


      2、具备63种焊接规范的设;


      3、高亮的LCD屏显示,美观易懂;


      4、采用四键设置规范参数,极易上手操作;


      5、实时监测焊接电流值;


      6、对输出电流采用上下限设置,电流异常报警功能,确保了焊接品质;


      7、焊接电流精准控制,适用于细小产品的焊接;


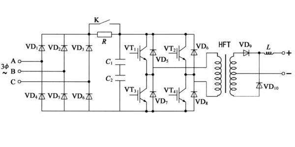
      逆变原理图:

    米亚基逆变点焊机原理图



     威尔达逆变点焊机IP-4000C产品优势:


      1、直流方波输出,可设置电流缓升缓降,波形平整,逆变频率2K-8K可以根据客户需求定制,无交流过零点电流不连续的缺陷,热量集中,提高了焊接热效应;


      2、由32位单片机控制,具有初级定电流,次级定电流,定电压,定功率,定脉宽占空比,同时对电流,电压,功率,电阻,占空比进行监控;


      3、采用目前主流的桥式逆变技术,稳定节能可靠;


      4、具有电流异常,监控值超限,过热等报警,并且通过I/O输出,提高焊接品质;


      5、硬件自我保护功率,本公司所设计的产品,均采用厚膜保护,外部异常情况下,智能切换IGBT模块的驱动信号,增强系统保护功率;


      6、多段多次加热设定,电流缓升缓降功能,中间冷却功能,多段重复功率,适合复杂焊接过程,复杂功率的需求;


      7、63组参数存储,方便多种焊接品种的使用;


      8、强大的外部通讯功能:外部PLC可以通过8421码调用任何一组程序, 具有焊接结束,故障,计数,良品与不良品判断,RS232数据通讯接口,适合自动化焊接;


      9、强大的数据处理功能,采用目前市场最快的32位ARM芯片,外加逻辑处理器控制,比同行业用的PIC芯片快至少200倍;


      10、响应速度快,采用了1K,4K,8KHZ的逆变频率,有交流和储能焊机从原理上无法超越的优势,同时也远远领先国内其他同行;


      焊接实例:

    逆变点焊机在电感行业中的应用图

    逆变点焊机焊接线束

    米亚基精密点焊机

     逆变焊接电源IP-4000C功率参数:

    型号输入电压额定功率最大输出电流控制模式负载持续率逆变频率
    IP-4000C交流380V12KVA4000A定电流/定电压/定功率7%1k-8k根据客户要求
    焊接循环时段焊接脉冲数电流缓升缓降存储焊接规范数外形尺寸(mm)重量
    20263172*480*269(电源)
    195*400*180(变压器)
    12KG(电源)
    15KG(变压器)

      苏州威尔达焊接设备有限公司其他产品型号:

      IP逆变焊接电源系列:IP-1300A,IP-2500A,IP-4000C,IP-5000A

      PIW逆变焊接电源系列:PIW-5030B,PIW-5031B,PIW-5032B,PIW-5033B

      晶体管焊接电源系列:PDA-1500A,PDB-1500A,PDC-1500A,PDA-3000A,PDB-3000A,PDC-3000A

      PDA-6000A,PDB-5000A,PDC-5000A,PDA-10000A

      焊接电流监测仪:MM-122A,PC-120A

      焊接压力测试仪:PFDC-100A

      电池点焊机系列:PB-CZ40-001 ,PB-SP40-001,WTA-4000B,WTA-8000B

      马达点焊机系列:PDAML-507-J

      电感点焊机系列:PB-DG40-003

      苏州威尔达焊接售后服务承诺:

      为了您放心使用本公司产品,我们承诺如下:

      1.诚实守信经营,不做假冒伪劣产品;

      2.所有产品全面测试并且老化合格收发货;

      3.按照约定的交货方式,安全抵达目的地;

      4.所有咨询服务,24小时之内做出反馈;

      5.提供产品培训,与相关的技术咨询;


    
    在线客服
    联系方式

    热线电话

    13915583428

    上班时间

    周一到周六

    公司电话

    13915583428

    二维码
    线